 |
產品信息 |
 |
 |
產品目錄 |
 |
|
|
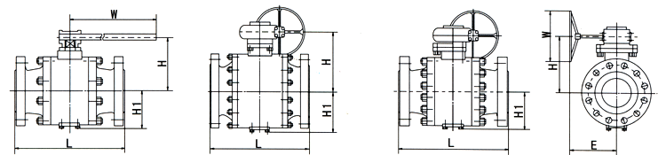
鍛鋼固定球閥 |
三片式鍛鋼球閥,具有性能優異,可靠性高,外形美觀,用途廣泛.價格合理等優點。大樞軸設計確保在高壓下正確的中心位置,低操作扭矩使閥門開關更靈活,該閥門具有進口和出口雙向密封功能。 主要零部件材料
零件名稱 Part name |
材料 Material |
閥體/蓋 Body/Bonnet |
A105、304、316、304L、316L |
球體 Ball |
A105+HCr(Nip),2Cr13,304,316,304L,316L |
閥桿 Stem |
2Cr13,304,316,304L,316L |
閥座 Seat |
PTFE、PPL、尼龍101 |  ANSI Class150 PN1.6 壓力等級 法蘭按ANSI B16.5 JB79 HG20596 (mm)
公稱通徑 |
NPS |
2" |
3" |
4" |
6" |
8" |
10" |
12" |
14" |
16" |
18" |
20" |
24" |
28" |
32" |
36" |
40" |
DN |
50 |
80 |
100 |
150 |
200 |
250 |
300 |
350 |
400 |
450 |
500 |
600 |
700 |
800 |
900 |
1000 |
球孔直徑 |
51 |
76 |
102 |
152 |
203 |
254 |
305 |
337 |
387 |
438 |
489 |
591 |
686 |
781 |
876 |
978 |
L
|
RF |
178 |
203 |
229 |
394 |
457 |
533 |
610 |
686 |
762 |
864 |
914 |
1067 |
1245 |
1372 |
1524 |
1753 |
BW |
216 |
283 |
305 |
457 |
521 |
559 |
635 |
762 |
838 |
914 |
991 |
1143 |
1346 |
1524 |
1727 |
1956 |
H1 |
100 |
110 |
130 |
175 |
210 |
274 |
305 |
340 |
395 |
440 |
470 |
580 |
640 |
730 |
980 |
1010 |
H |
165 |
90 |
200 |
270 |
300 |
380 |
420 |
450 |
530 |
560 |
605 |
680 |
760 |
870 |
980 |
1040 |
W |
400 |
700 |
850 |
600 |
600 |
600 |
800 |
800 |
800 |
800 |
800 |
800 |
800 |
800 |
800 |
800 |
E |
|
|
|
116 |
116 |
116 |
171 |
171 |
257 |
257 |
257 |
150 |
83 |
83 |
123 |
123 |
F |
|
|
|
350 |
350 |
350 |
420 |
420 |
500 |
500 |
500 |
580 |
650 |
650 |
735 |
735 |
重量(kg) |
24 |
50 |
75 |
195 |
280 |
440 |
570 |
800 |
1480 |
2350 |
2400 |
4050 |
6160 |
7200 |
8700 |
12500 | ANSI Class300 PN2.5 PN4.0 壓力等級 法蘭按ANSI B16.5 JB79 HG20596 (mm)
公稱通徑 |
NPS |
2" |
3" |
4" |
6" |
8" |
10" |
12" |
14" |
16" |
18" |
20" |
24" |
28" |
32" |
36" |
40" |
DN |
50 |
80 |
100 |
150 |
200 |
250 |
300 |
350 |
400 |
450 |
500 |
600 |
700 |
800 |
900 |
1000 |
球孔直徑 |
51 |
76 |
102 |
152 |
203 |
254 |
305 |
337 |
387 |
438 |
489 |
591 |
686 |
781 |
876 |
978 |
L
|
RF |
216 |
283 |
305 |
403 |
502 |
568 |
648 |
762 |
838 |
914 |
991 |
1143 |
1346 |
1524 |
1727 |
1956 |
RW |
216 |
283 |
305 |
457 |
521 |
559 |
635 |
762 |
838 |
914 |
991 |
1143 |
1346 |
1524 |
1727 |
1956 |
H1 |
100 |
110 |
130 |
175 |
210 |
274 |
305 |
340 |
395 |
440 |
470 |
580 |
640 |
730 |
980 |
1010 |
H |
165 |
190 |
200 |
270 |
300 |
380 |
420 |
450 |
530 |
560 |
605 |
680 |
760 |
870 |
980 |
1040 |
W |
400 |
700 |
850 |
600 |
600 |
600 |
800 |
800 |
800 |
800 |
800 |
800 |
800 |
800 |
800 |
800 |
E |
|
|
|
116 |
116 |
116 |
171 |
171 |
257 |
257 |
257 |
150 |
83 |
83 |
123 |
123 |
F |
|
|
|
350 |
350 |
350 |
420 |
420 |
500 |
500 |
500 |
580 |
650 |
650 |
735 |
735 |
重量(kg) |
30 |
58 |
95 |
210 |
318 |
440 |
575 |
800 |
1840 |
2700 |
2890 |
4640 |
6700 |
7810 |
9480 |
13800 | ANSI Class400 PN6.3 壓力等級 法蘭按ANSI B16.5 JB79 HG20596 (mm)
公稱通徑 |
NPS |
2" |
3" |
4" |
6" |
8" |
10" |
12" |
14" |
16" |
18" |
20" |
24" |
28" |
32" |
36" |
40" |
DN |
50 |
80 |
100 |
150 |
200 |
250 |
300 |
350 |
400 |
450 |
500 |
600 |
700 |
800 |
900 |
1000 |
球孔直徑 |
51 |
76 |
102 |
152 |
203 |
254 |
305 |
337 |
387 |
438 |
489 |
591 |
686 |
781 |
876 |
978 |
L
|
RF |
292 |
356 |
406 |
495 |
597 |
673 |
762 |
826 |
902 |
978 |
1054 |
1232 |
1397 |
1651 |
1880 |
1956 |
RW |
292 |
356 |
406 |
495 |
597 |
673 |
762 |
826 |
902 |
978 |
1054 |
1232 |
1397 |
1651 |
1880 |
1956 |
H1 |
110 |
120 |
140 |
185 |
220 |
270 |
310 |
345 |
410 |
440 |
480 |
590 |
655 |
730 |
830 |
930 |
H |
180 |
200 |
210 |
290 |
320 |
380 |
430 |
450 |
550 |
580 |
630 |
700 |
790 |
890 |
1000 |
1070 |
W |
400 |
700 |
850 |
600 |
600 |
600 |
800 |
800 |
800 |
800 |
800 |
800 |
800 |
800 |
800 |
800 |
E |
|
|
|
116 |
116 |
116 |
171 |
171 |
257 |
257 |
257 |
150 |
83 |
83 |
123 |
123 |
F |
|
|
|
350 |
350 |
350 |
420 |
420 |
500 |
500 |
500 |
580 |
650 |
650 |
735 |
735 |
重量(kg) |
30 |
58 |
95 |
210 |
318 |
440 |
575 |
800 |
1840 |
2700 |
2890 |
4640 |
6700 |
7810 |
9480 |
13800 | |
|
|